Search for Crane Part number

(click on image to open PDF document)
Figures in which the part appears:
Also known as:
10182312, 010182312, 0010182312
10182312, 010182312, 0010182312
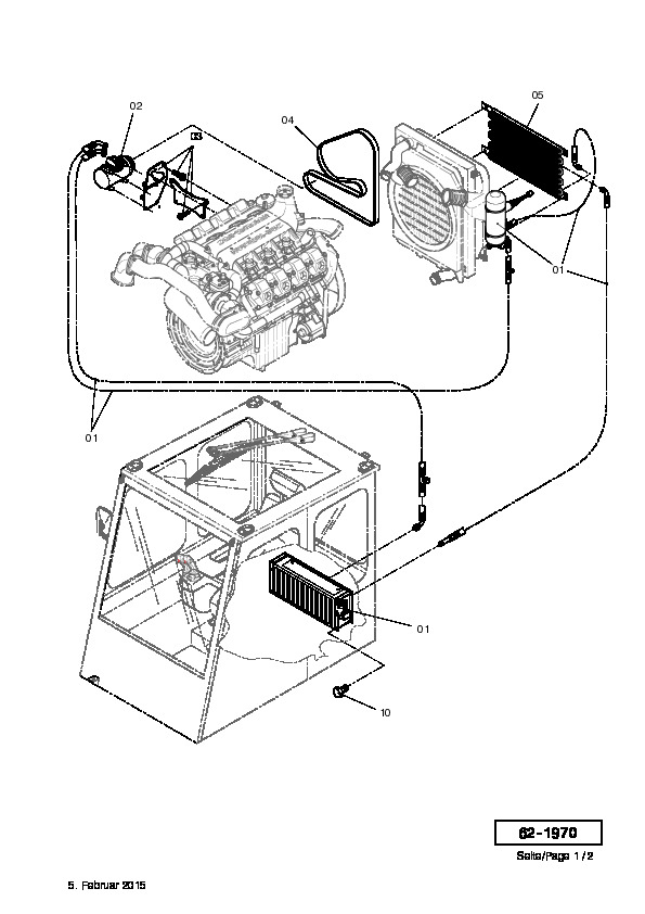
Parts for Demag CC 2800, Figure 62-1970:
Part Number 10182312: COMPRESSOR
Part Number 10182312: COMPRESSOR
Pos nr | Part number | Description |
---|---|---|
44168012 | PULLY EF 41483712 | |
2 | 10182312 | COMPRESSOR |
3 | 10182412 | RETAINER |
4 | 10182512 | V-BELT SET |
10 | 22432099 | SCREW |
* Selected parts are automatically added to your RFQ list *