Search for Crane Part number

(click on image to open PDF document)
Figures in which the part appears:
993-0971 (Demag AC 100 )
993-0973 (Demag AC 100 )
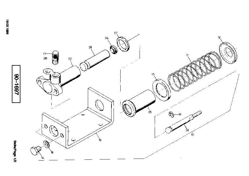
90-1697 (Demag AC 155 )
989-1035c (Demag AC 25 )
Demag (Demag AC )
993-0973 (Demag AC 100 )
90-1697 (Demag AC 155 )
989-1035c (Demag AC 25 )
Demag (Demag AC )
Also known as:
30775099, 030775099, 0030775099
30775099, 030775099, 0030775099
Parts for Demag AC 155, Figure 90-1697:
Part Number 30775099: HEXAGON SCREW
Part Number 30775099: HEXAGON SCREW
Pos nr | Part number | Description | Weight in kg |
---|---|---|---|
* | 68768800 | REPAIR KIT | |
1 | 26455740 | CYLINDER | 1.5 |
2 | 98733200 | HOUSING | |
3 | 98733300 | PISTON | |
4 | 68768400 | RING | |
5 | 68768500 | PROTECTIVE CAP INCL. FIG.-NO: 07 | |
7 | 98733700 | FELT RING | |
8 | 98736600 | PIN | |
9 | 68768600 | BREATHER VALVE INCL. FIG-NO: 17 | |
10 | 98734000 | SPRING SEAT | |
11 | 98734100 | SPRING | |
12 | 98734200 | SPRING SEAT | |
13 | 98734300 | RETAINER PLATE | |
14 | 30775099 | HEXAGON SCREW | |
15 | 34360899 | FANTYPE WASHER A | |
16 | 34347899 | DISC | |
17 | 68768700 | DUST CAP |
* Selected parts are automatically added to your RFQ list *
Your request list: